• 开平市人民政府门户网站
  •  
    • 搜索
今天是2019年3月20日 星期三欢迎进入开平市水利局!
Baidu
map
您当前的位置: 首页 > 开平市水利局 > 本局公告
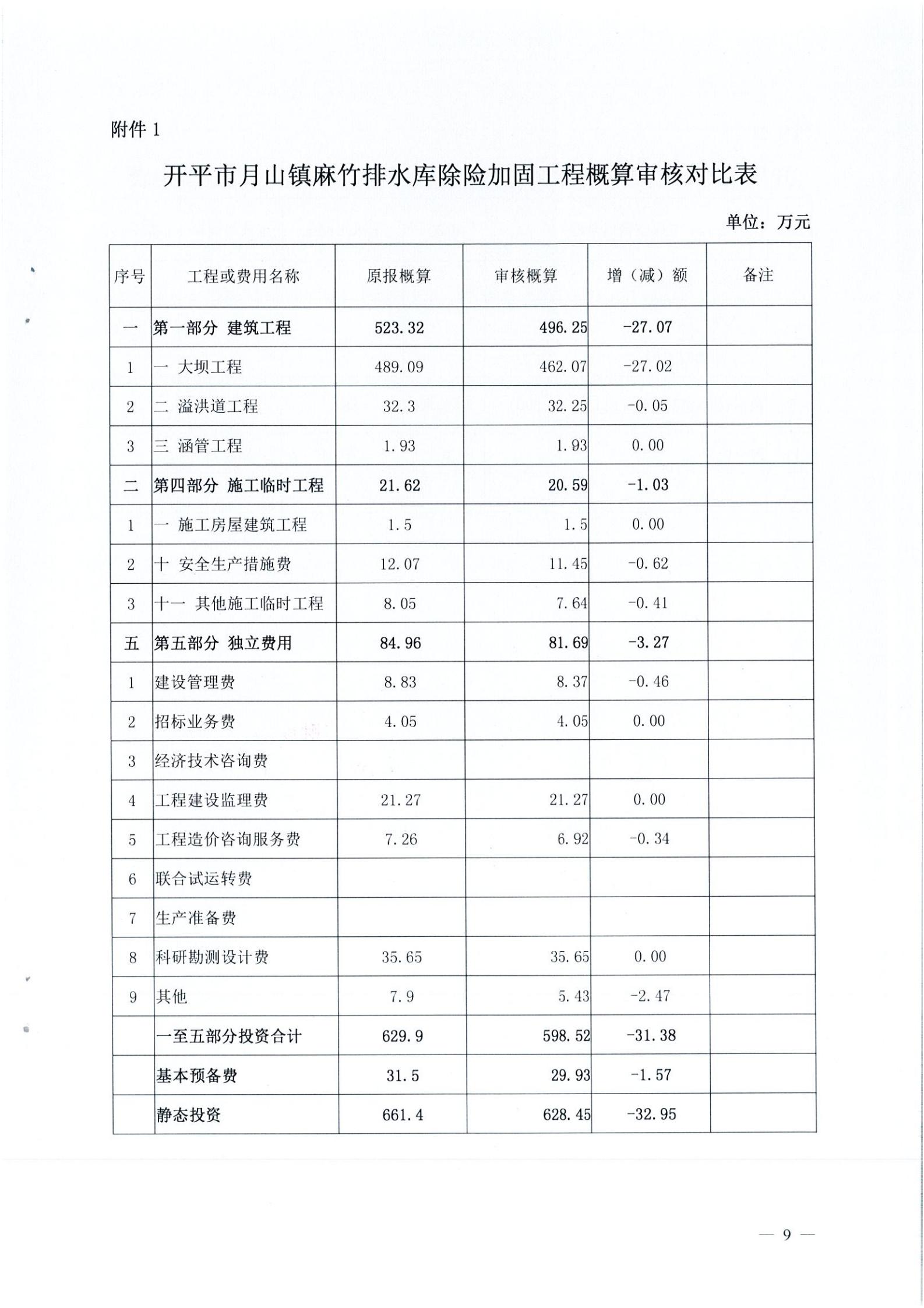
关于开平市麻竹排水库除险加固工程初步设计的批复
发布日期:2020-10-30 15:31
来源:本网
打印
【字体:

开水字〔2020〕189号 关于开平市麻竹排水库除险加固工程初步设计的批复_00.jpg开水字〔2020〕189号 关于开平市麻竹排水库除险加固工程初步设计的批复_01.jpg开水字〔2020〕189号 关于开平市麻竹排水库除险加固工程初步设计的批复_02.jpg开水字〔2020〕189号 关于开平市麻竹排水库除险加固工程初步设计的批复_03.jpg开水字〔2020〕189号 关于开平市麻竹排水库除险加固工程初步设计的批复_04.jpg开水字〔2020〕189号 关于开平市麻竹排水库除险加固工程初步设计的批复_05.jpg开水字〔2020〕189号 关于开平市麻竹排水库除险加固工程初步设计的批复_06.jpg开水字〔2020〕189号 关于开平市麻竹排水库除险加固工程初步设计的批复_07.jpg开水字〔2020〕189号 关于开平市麻竹排水库除险加固工程初步设计的批复_08.jpg开水字〔2020〕189号 关于开平市麻竹排水库除险加固工程初步设计的批复_09.jpg

相关附件:

 
联系我们 网站帮助 网站地图 服务申明
 版权所有:开平市人民政府    主办:开平市人民政府办公室 
备案编号: 粤ICP备05079694号  网站标识码:4407830003  粤公网安备; 44078302000116
开平市政府网公众号
Baidu
map
Baidu
map